Pompa thithëse e qëndrueshme NDX e makinerive ZEN janë projektuar sipas BS EN733/DIN24255. Kjo seri pompash ka përparësi të mëdha në formën e pjesëve të këmbyeshme, cilësi të lartë dhe kosto të ulët, aplikim të gjerë në fabrika, miniera, ujësjellës urban, sisteme fikje zjarri, sisteme klimatizimi dhe vaditjeje.
Seria A DIN24255 / EN 733 Pompë centrifugale standarde fundore
• Ujësjellës-kanalizime
• Kulla e ngrohjes, klimatizimit dhe ftohjes
• Çakëlli dhe fundi i anijes
• Superchargers dhe Superchargers
• Ujitje dhe bujqësi
• Ujësjellës-kanalizime
• Kimia e ushqimit (duke përdorur materiale çelik inox)
Seria AD DIN24255 / EN 733 Pompa dhe motorë standarde fundore
• Ujësjellës-kanalizime
• Kulla e ngrohjes, klimatizimit dhe ftohjes
• Siguria nga zjarri dhe nga zjarri
• Çakëlli dhe fundi i anijes
• Superchargers dhe Superchargers
• Kërkimi dhe Bujqësia
• Ujësjellës-kanalizime
• Kimia e ushqimit (duke përdorur materiale çelik inox)
| Madhësia e riciklimit | DN32 ~ 300 mm | Shpejtësia e rrjedhës | 4~1584 m³/h |
| kokë | 2 ~ 150 m | ||
| Temperatura mesatare: -10~85℃(standarde) 85~105°℃(kërkesë speciale) | |||
|
Presioni i punës: ≤1.0MPa (standarde) ≤1.6MPa (kërkesë speciale) |
|||
Gama e pompave thithëse fundore NDX me cilësi të lartë ZEN Machinery është projektuar sipas BS EN733/DIN24255. Kjo seri pompash ka avantazhet e ndërrimit të komponentëve, cilësinë e lartë, koston e ulët, përdoret gjerësisht në fabrika, miniera, ujësjellës komunal, zjarrfikës, klimatizim, vaditje dhe fusha të tjera.
P: Gize
P: Gize me top
A: bronzi
S: ASTM 420
45: 1045 m.
S304: ASTM 304
S316: ASTM 316
H: Kushineta me dy rreshta
G: Boshte dhe kushineta të mëdha
Default: Standard
M: Grumbullim mekanik
P: Mbushës me presion
| Dizajn | Karakteristikat dhe dimensionet përputhen me standardin evropian BSEN733/DIN24255 |
| Përbërja | Thithje fundore horizontale, boshtore, me një shkallë, thithje fundore, trup volute, prizë e pasme |
| DN(mm) | 32-300 |
| Fllanxha | DIN2501 PN16 GB/T17241.6 PN1.6 |
| Pjesë | Materiali standard | Opsionet sipas kërkesës |
| Kornizë | Gize | Hekuri i lakueshëm/ASTM304/ASTM316 |
| Shtytës | Tunxh | Gize/ASTM304/ASTM316 |
| Bosht | ASTM420 | ASTM304/ASTM316/ASTM1045 |
| Vula e boshtit | Shtypje mekanike | Paketimi i gjëndrës |
| Shpejtësia e rrjedhës (Q) | 4~1584 m³/h |
| Koka (H) | 2~150 m |
| Shpejtësia | 1450 ose 2900 rpm (50Hz)/1750 ose 3500 rpm (60Hz) |
| Temperatura maksimale | 85 ℃ (standarde); 105℃ (sipas kërkesës) |
| Presioni i punës | Standardi 1.0 MPa; 1.6 MPa sipas kërkesës |
| Mjete transporti | Ujë i pastër ose lëngje të ngjashme me ujin e pastër në vetitë fizike. |
| Kodin | Emërtimi |
| 1 | Kornizë |
| 2 | Dado shtytëse |
| 2.1 | Rondele me kyç |
| 3 | Veshin Unaza |
| 3.1 | Veshja e Unazës |
| 4 | Shtytës |
| 5 | Mbulesa e banesave |
| 6 | Hapësirë boshti |
| 7 | Vula mekanike |
| 8 | Kapak mbyllës |
| 8.1 | unazë O |
| 9 | Slinger gome |
| 10 | Korniza mbajtëse |
| Kodin | Emërtimi |
| 11 | Bosht |
| 12 | Transportuesi |
| 13 | Kapak mbajtës |
| 14 | Këmba mbështetëse |
| 14.1 | Rondele e sheshtë |
| 15 | Mëngë paketimi |
| 16 | Kafazi i vulës së paketimit |
| Mëngë në qafë | |
| 17 | Paketimi i gjëndrës |
| 18 | Mbulesa e vulës së vajit |
| 19 | Rondelë strehimi |
| 20 | Pin |
| 21 | Pin |
| Kodin | Emërtimi |
| 22 | Pin |
| 23 | Çelësi |
| 24 | Çelësi |
| 25 | Bulon me vidë |
| 26 | filxhan gjalpë |
| 27 | Ndjeva veten |
| Vulë vaji | |
| 28 | Pin |
| 29 | Prizë |
| 30 | Prizë |
| 31 | peshore vaji |
| 32 | Kapak vaji |
| 33 | Guarnicioni i qafës |


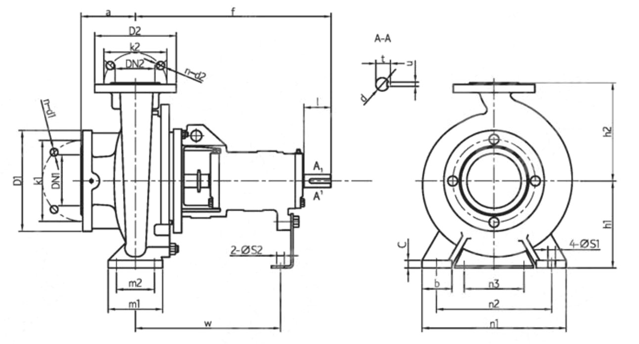
(ISO7005.2 DIN2501 PN16 GB/T17241.6 PN1.6)
| DN1/DN2 | 32 | 40 | 50 | 65 | 80 | 100 |
| D1/D2 | 140 | 150 | 165 | 185 | 200 | 220 |
| K1/K2 | 100 | 110 | 125 | 145 | 160 | 180 |
| n-d1/n-d2 | 4-f18 | 4-f18 | 4-f18 | 4-f18 | 8-f18 | 8-f18 |
| DN1/DN2 | 125 | 150 | 200 | 250 | 300 | 350 |
| D1/D2 | 250 | 285 | 340 | 405 | 460 | 520 |
| K1/K2 | 210 | 240 | 295 | 355 | 410 | 470 |
| n-d1/n-d2 | 8-f18 | 8-f22 | 12-φ22 | 12-f26 | 12-f26 | 16-φ26 |
| Model | Diametri i brendshëm i kushinetave | DN2 | DN1 | a | f | h1 | h2 | b | C | n3 | m1 | m2 | n1 | n2 | S1 | S2 | W | d | I | t | U | Masa (kg) |
| A32/13 | 25 | 32 | 50 | 80 | 360 | 112 | 140 | 50 | 14 | 100 | 100 | 70 | 190 | 140 | 14 | 14 | 267 | 24 | 50 | 27 | 8 | 29 |
| A32/16 | 132 | 160 | 240 | 190 | 35 | |||||||||||||||||
| A32/20 | 160 | 180 | 110 | 47 | ||||||||||||||||||
| A32/26 | 100 | 180 | 225 | 65 | 125 | 95 | 320 | 250 | 58 | |||||||||||||
| A40/13 | 40 | 65 | 80 | 112 | 140 | 50 | 100 | 100 | 70 | 210 | 160 | 31 | ||||||||||
| A40/16 | 132 | 160 | 240 | 190 | 34 | |||||||||||||||||
| A40/20 | 100 | 160 | 180 | 110 | 265 | 212 | 45 | |||||||||||||||
| A40/26(H) | 180 | 225 | 65 | 125 | 95 | 320 | 250 | 61 | ||||||||||||||
| A40/32 | 35 | 125 | 470 | 200 | 250 | 345 | 280 | 342 | 32 | 80 | 35 | 10 | 94 | |||||||||
| A40/32(H) | 200 | 250 | 107 | |||||||||||||||||||
| A40/32G | 45 | 526 | 200 | 250 | 367 | 42 | 110 | 45 | 12 | 105 | ||||||||||||
| A50/13 | 25 | 50 | 100 | 360 | 132 | 160 | 50 | 100 | 100 | 70 | 240 | 190 | 267 | 24 | 50 | 27 | 8 | 35 | ||||
| A50/16 | 160 | 180 | 110 | 265 | 212 | 39 | ||||||||||||||||
| A50/20 | 160 | 200 | 49 | |||||||||||||||||||
| A50/26(H) | 180 | 225 | 65 | 125 | 95 | 320 | 250 | 68 | ||||||||||||||
| A50/26G | 35 | 470 | 344 | 32 | 80 | 35 | 10 | 65 | ||||||||||||||
| A50/32(H) | 125 | 225 | 280 | 18 | 345 | 280 | 342 | 113 | ||||||||||||||
| A50/32G | 45 | 50 | 65 | 125 | 526 | 225 | 280 | 65 | 18 | 125 | 95 | 345 | 280 | 367 | 42 | 110 | 45 | 12 | 105 | |||
| A65/13 | 25 | 65 | 80 | 100 | 360 | 160 | 180 | 14 | 125 | 95 | 280 | 212 | 267 | 24 | 50 | 27 | 8 | 41 | ||||
| A65/16 | 160 | 200 | 47 | |||||||||||||||||||
| A65/20(H) | 180 | 225 | 320 | 250 | 55 | |||||||||||||||||
| A65/20G | 35 | 465 | 339 | 32 | 80 | 35 | 10 | 60 | ||||||||||||||
| A65/26 | 470 | 200 | 250 | 80 | 15 | 160 | 120 | 360 | 280 | 18 | 342 | 87 | ||||||||||
| A65/32(H) | 125 | 225 | 280 | 18 | 400 | 315 | 110 | |||||||||||||||
| A65/32G | 45 | 525 | 225 | 280 | 18 | 367 | 42 | 110 | 45 | 12 | 120 | |||||||||||
| A80/16 | 25 | 80 | 100 | 360 | 180 | 225 | 65 | 14 | 125 | 95 | 320 | 250 | 14 | 267 | 24 | 50 | 27 | 8 | 53 | |||
| A80/20 | 35 | 470 | 180 | 250 | 15 | 345 | 280 | 342 | 32 | 80 | 35 | 10 | 76 | |||||||||
| A80/26 | 200 | 280 | 80 | 160 | 120 | 400 | 315 | 18 | 95 | |||||||||||||
| A80/32(H) | 250 | 315 | 16 | 118 | ||||||||||||||||||
| A80/32G | 45 | 526 | 16 | 367 | 42 | 110 | 45 | 12 | 130 | |||||||||||||
| A80/40 | 530 | 280 | 355 | 83 | 18 | 440 | 340 | 370 | 160 | |||||||||||||
| A100/16 | 35 | 100 | 125 | 470 | 200 | 250 | 80 | 15 | 360 | 280 | 342 | 32 | 80 | 35 | 10 | 87 | ||||||
| A100/20 | 35 | 280 | 80 | 16 | 84 | |||||||||||||||||
| A100/26(H) | 140 | 225 | 280 | 400 | 315 | 102 | ||||||||||||||||
| A100/32 | 250 | 315 | 118 | |||||||||||||||||||
| A100/40 | 45 | 530 | 280 | 355 | 100 | 20 | 200 | 150 | 500 | 400 | 23 | 370 | 42 | 110 | 45 | 12 | 176 | |||||
| A125/20 | 35 | 125 | 150 | 470 | 250 | 315 | 80 | 16 | 160 | 120 | 400 | 315 | 18 | 342 | 32 | 80 | 35 | 10 | 112 | |||
| A125/26 | 250 | 355 | 117 | |||||||||||||||||||
| A125/32 | 45 | 530 | 280 | 355 | 100 | 18 | 200 | 150 | 500 | 400 | 23 | 370 | 42 | 110 | 45 | 12 | 155 | |||||
| A125/40 | 160 | 315 | 400 | 178 | ||||||||||||||||||
| FA125/50 | 55 | 670 | 355 | 450 | 25 | 550 | 450 | 500 | 48 | 110 | 51 | 14 | 300 | |||||||||
| A150/20 | 35 | 150 | 200 | 500 | 280 | 400 | 18 | 400 | 315 | 342 | 32 | 80 | 35 | 10 | 132 | |||||||
| A150/26 | 45 | 530 | 250 | 355 | 450 | 350 | 370 | 42 | 110 | 45 | 12 | 163 | ||||||||||
| A150/32 | 280 | 400 | 550 | 450 | 170 | |||||||||||||||||
| A150/40 | 315 | 450 | 207 | |||||||||||||||||||
| A150/50 | 55 | 180 | 670 | 375 | 500 | 22 | 500 | 48 | 51 | 14 | 330 | |||||||||||
| A200/26 | 45 | 200 | 250 | 555 | 315 | 450 | 20 | 28 | 392 | 42 | 45 | 12 | 219 | |||||||||
| A200/32 | 55 | 670 | 315 | 480 | 120 | 220 | 170 | 600 | 480 | 505 | 48 | 51 | 14 | 286 | ||||||||
| A200/40 | 335 | 480 | 250 | 328 | ||||||||||||||||||
| A200/50 | 65 | 200 | 250 | 200 | 720 | 425 | 560 | 100 | 22 | 140 | 200 | 150 | 660 | 560 | 23 | 19 | 515 | 60 | 140 | 64 | 18 | 450 |
| A250/32 | 55 | 250 | 300 | 220 | 691 | 355 | 520 | 150 | 26 | 110 | 250 | 200 | 660 | 510 | 28 | 14 | 525 | 48 | 110 | 51 | 14 | 366 |
| A250/40 | 682 | 400 | 560 | 516 | 396 | |||||||||||||||||
| A250/50 | 65 | 250 | 300 | 250 | 720 | 450 | 670 | 120 | 32 | 140 | 240 | 190 | 750 | 650 | 23 | 19 | 515 | 60 | 140 | 64 | 18 | 550 |
| A300/40 | 65 | 300 | 350 | 300 | 720 | 425 | 120 | 30 | 250 | 190 | 760 | 660 | 30 | 19 | 515 | 60 | 140 | 64 | 18 | 550 |