Pompë për vaskë WPP2
  • Pompë për vaskë WPP2 Pompë për vaskë WPP2

Pompë për vaskë WPP2

Pompat e vaskës WPP2 të personalizuara nga makineria ZEN rekomandohen për pompimin e ujit të pastër pa grimca gërryese dhe lëngje që janë kimikisht jo agresive ndaj materialeve nga të cilat është bërë pompa. Pompa e kësaj serie mund të funksionojë vazhdimisht. Është i përshtatshëm për pishina të vogla, filtra qarkullimi për marikulturë, për riciklimin e ujit në banja dhe për riciklimin e ujit në pajisjet spa, etj. d. Është e lehtë për tu përdorur dhe mirëmbajtur.

Dërgo kërkesë

përshkrim i produktit

Pompë për vaskë WPP

(Pompë për banjë)

(Seria WPP)


Karakteristikat

● Hyrja e mbrojtjes: Lloji 2

● Drenazhim automatik

● Dridhje të ulëta

● Shtëpia e motorit elektrik të oksidimit të anodës

● mbrojtje nga mbingarkesa

● çelsat pneumatike (opsionale)

● niveli f

● temperatura e lëngut ≤ 50 ° C

● Mec71


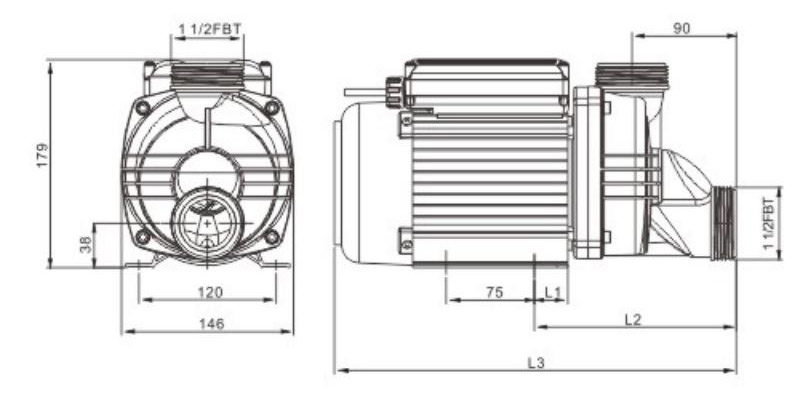
Forma dhe madhësia e instalimit

Model WPP370E WPP550E WPP750E WPP900E WPP1100E WPP1500E
L1 (mm) 28.5 37.5
L2 (mm 172 181
L3 (mm) 341 359


Kurba e produktivitetit


Tabela e parametrave teknikë

Model Fuqia Stresi/frekuenca
V/Hz
Maks. Rrjedha Maks Madhësia e instalimit G.W Madhësia e paketës Sasia e ngarkimit
(Sasia/20')
L/min E thjeshtë mm kg mm
WPP370E 370w/0.5HP 220-240 V
/ 60 Hz
250 7 48.5/50 5.7 360x160x205
(1 copë)
375x355x220
(2 copë)
2455
WPP550E 550 W/0,75 kuaj fuqi 260 8 6.3
WPP750E 750 W/1.0 HP 320 11.5 6.7
WPP900E 900 W/1.2 HP 340 12 7
WPP1100E 1100 W/1.5 HP 375 13.0 8.1
WPP1500E 1500 W/2.0 HP 450 14.5 9






Hot Tags: Pompë për vaskë WPP2, Kinë, Prodhues, Furnizues, Fabrika, Personalizuar, Cilësi, Shitjet e fundit, Në magazinë, Markat, CE, Taizhou
X
Ne përdorim cookies për t'ju ofruar një përvojë më të mirë shfletimi, për të analizuar trafikun e faqes dhe për të personalizuar përmbajtjen. Duke përdorur këtë faqe, ju pranoni përdorimin tonë të cookies. Politika e privatësisë
Refuzo Pranoje