Pompë për vaskë WPP3
  • Pompë për vaskë WPP3 Pompë për vaskë WPP3

Pompë për vaskë WPP3

Pompat e vaskës WPP3 të cilësisë së lartë të ZEN Machinery rekomandohen për pompimin e ujit të pastër pa grimca gërryese dhe lëngje që janë kimikisht jo agresive ndaj materialeve nga të cilat është bërë pompa. Pompa e kësaj serie mund të funksionojë vazhdimisht. Është i përshtatshëm për pishina të vogla, filtra qarkullimi për marikulturë, për riciklimin e ujit në banja dhe për riciklimin e ujit në pajisjet spa, etj. d. Është e lehtë për tu përdorur dhe mirëmbajtur.

Dërgo kërkesë

përshkrim i produktit

Pompë për vaskë WPP3

(Pompë për banjë)

(Seria WPP)


Karakteristikat

● Hyrja e mbrojtjes: Lloji 2

● Drenazhim automatik

● Dridhje të ulëta

● Shtëpia e motorit elektrik të oksidimit të anodës

● Operacionet e varura

● mbrojtje nga mbingarkesa

● çelsat pneumatike (opsionale)

● niveli f

● temperatura e lëngut ≤ 50 ° C

● Mec71


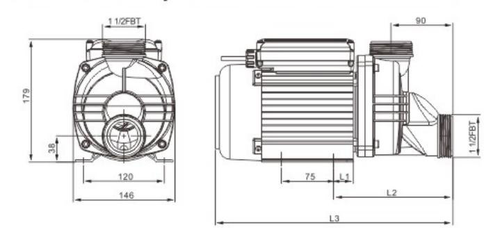
Forma dhe madhësia e instalimit

Model WPP370A/WPP550A/WPP750A/WPP900A/WPP1100A/WPP1500A WPP1800A
L1 (mm) 28.5 37.5
L2 (mm) 172 181
L3 (mm) 341 359


Kurba e produktivitetit


Tabela e parametrave teknikë

Model Fuqia Stresi/frekuenca
V/Hz
Maks. Rrjedha Maks Madhësia e instalimit G.W Madhësia e paketës Sasia e ngarkimit
(Sasia/20')
L/min E thjeshtë mm kg mm
WPP370A 370w/0.5HP 110-120V/60Hz 200 5 48.5/50 5.5

360x160x20

5 (1 copë)

375x355x220

(2 copë)

2455
WPP550A 550 W/0,75 kuaj fuqi 270 7 6
WPP750A 750 W/1.0 HP 360 10 6.5
WPP900A 900 W/1.2 HP 380 11.5 6.8
WPP1100A 1100 W/1.5 HP 420 12 7
WPP1500A 1500 W/2.0 HP 450 13.5 7.5
WPP1800A 1800 W/2.5 HP 500 16.5 8





Hot Tags: Pompë për vaskë WPP3, Kinë, Prodhues, Furnizues, Fabrika, Personalizuar, Cilësi, Shitjet e fundit, Në magazinë, Markat, CE, Taizhou
X
Ne përdorim cookies për t'ju ofruar një përvojë më të mirë shfletimi, për të analizuar trafikun e faqes dhe për të personalizuar përmbajtjen. Duke përdorur këtë faqe, ju pranoni përdorimin tonë të cookies. Politika e privatësisë
Refuzo Pranoje