Pompë e ujërave të zeza me tuba CGW
  • Pompë e ujërave të zeza me tuba CGW Pompë e ujërave të zeza me tuba CGW

Pompë e ujërave të zeza me tuba CGW

Pompa e ujërave të zeza me tubacione CGW mund të funksionojë vazhdimisht për periudha të gjata. Prandaj, ato kontribuojnë në funksionimin e qëndrueshëm të pajisjeve në stacionet e pompimit dhe impiantet e trajtimit të ujit, duke ndihmuar gjithashtu në uljen e ndjeshme të kostove të mirëmbajtjes. Këto pompa përdoren gjerësisht në shumë objekte për trajtimin e ujit, stacionet e pompimit, strukturat e kontrollit të përmbytjeve dhe parqet ujore.

Dërgo kërkesë

përshkrim i produktit

Pompë e ujërave të zeza me tuba CGW

gamën e produkteve

80 CGW 2 75
Madhësia e daljes Lloji i pompës Shtylla Fuqia
Madhësia e daljes (mm) Lloji i pompës Pol (KW)


karakteristikë e gamës

Fuqia 1,5-7,5 kW
Elektroda/Polet 2
Kalibër/Shkarkim DN50-80
Maks. Shpejtësia e rrjedhjes / Shpejtësia maksimale e rrjedhës 150 m³/h
Koka maksimale 47 m


Aplikacionet


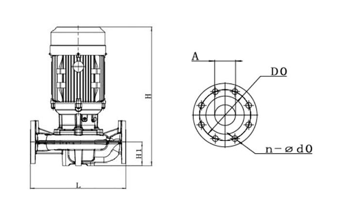
Madhësia

Model
Lloji
Kalibër
A
(mm)
L
(mm)
H
(mm)
H1
(mm)
D0
(mm)
n-d0
(mm)
50-CGW2-1,5 50 350 523 100 118 8-f18
50-CGW2-2.2 50 350 523 100 118 8-f18
80-CGW2-1.5 80 360 523 100 118 8-f18
80-CGW2-2.2 80 360 523 100 118 8-f18
80-CGW2-3.7 80 360 537 110 160 8-f18
80-CGW2-5.5 80 450 652 110 160 8-f18
80-CGW2-7.5 80 450 652 110 160 8-f18


Parametrat e pompave të tubave të kanalizimeve të serisë CGW

Model
Lloji
Tensioni
Tensioni (v)
Fuqia Kalibër/0 prizë Kapërceni madhësinë e grimcave
(mm)
Të dhëna të kufizuara
Q.rated
(m³/h)
Ashensori nominal
H.rated
(m)
MAX. RRJEDHJA
Q.max
(m³/h)
Ngritja maksimale
H.max
(m)
Pesha
G.W
(kg)
Madhësia e parcelës
(cm)
(KW) (HP) (inç) (mm)
50CGW2-1,5 3Ph/380V 1.5 2 2” 50 20 25 12 34 20 36.2 54*36*28
50CGW2-2.2 3Ph/380V 2.2 3 2” 50 20 25 17 39 24 38.5 54*36*28
80CGW2-3.7 3Ph/380V 3.7 5 3” 80 20 36 20 80 27 55 55*39*26
80CGW2-5.5 3Ph/380V 5.5 7.5 3” 80 20 36 28 74 36 87 67*47*36
80CGW2-7.5 3Ph/380V 7.5 10 3” 80 20 36 34 102 41 90 67*47*36





Hot Tags: Pompë e ujërave të zeza të tubave CGW, Kinë, Prodhues, Furnizues, Fabrika, Personalizuar, Cilësi, Shitjet e fundit, Në magazinë, Markat, CE, Taizhou
X
Ne përdorim cookies për t'ju ofruar një përvojë më të mirë shfletimi, për të analizuar trafikun e faqes dhe për të personalizuar përmbajtjen. Duke përdorur këtë faqe, ju pranoni përdorimin tonë të cookies. Politika e privatësisë
Refuzo Pranoje