Pompa e tubacionit IRG ISW ISWB është një pompë centrifugale vertikale. Është i përshtatshëm për pompimin e ujit të pastër pa grimca gërryese dhe lëngjesh që janë kimikisht jo korrozivë ndaj materialeve të pompës. Kjo seri mund të përdoret për furnizimin dhe transportimin e ujit në sistemet e ftohjes, ngrohjes, qarkullimit dhe ajrit të kondicionuar, si dhe për zjarrfikje dhe aplikime industriale. Pompat duhet të instalohen brenda ose të paktën në një vend të mbrojtur nga moti.
1. Presioni maksimal i sistemit të pompimit është 1.6 MPa, pra presioni në hyrjen e pompës + presioni i pompës është 1.6 MPa. (Kur porositni, ju lutemi tregoni presionin e funksionimit të sistemit, presioni i punës i sistemit të pompës është më shumë se 1.6 MPa, kur porosia duhet të paraqitet veçmas. Pjesët rrjedhëse dhe lidhëse të pompës gjatë prodhimit janë prej gize.)
2. Mjedisi i aplikueshëm: një substancë e ngurtë e patretshme me një përmbajtje vëllimore jo më shumë se 0,1% për njësi vëllimi dhe madhësi të grimcave jo më shumë se 0,2 mm (mjedisi me grimca të vogla duhet të jetë ngushtësi mekanike rezistente ndaj konsumit, tregojeni kur porosisni).
3. Temperatura e ambientit nuk kalon 40 ° C, temperatura relative nuk kalon 95 ° C, lartësia mbi nivelin e detit nuk i kalon 1000 m.
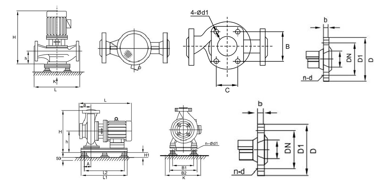
ËSHTË MBI 50 - 160 - 3
① IRG: pompë vertikale e tubacionit
② 50: Kalibër (mm)
③ 160: diametri i Iring (mm)
④ 3: Fuqia (KW)
| Lloji | Transmetimi Q | përpjekje m |
Efikasiteti (%) |
Sinkronizimi Shpejtësia e rrotullimit r/min |
Motor elektrik Fuqia KW |
Furnizimi i detyrueshëm i kavitacionit (m) |
Instalimi i një rekordi vertikal | Madhësia e pompës horizontale | Madhësia e fllanxhës | Izolimi i dridhjeve | H1 | |||||||||||||
| m³/h | L/S | H | L | h | B | C | H | h | a | L1 | L | L2 | B1 | D | D1 | n-d | Specifikimi | |||||||
| 25-125 |
2.8 4 5.2 |
0.78 1.11 1.44 |
20.6 20 18 |
28 36 35 |
2900 | 0.75 | 2.3 | 430 | 275 | 70 | 80 | 50 | 320 | 180 | 90 | 405 | 445 | 210 | 260 | Φ115 | Φ85 | 4-F16 | SD41-0,5 | 20 |
| 25-125A |
2.5 3.6 4.6 |
0.69 1.0 1.28 |
17 16 14.4 |
27 35 34 |
2900 | 0.75 | 2.3 | 430 | 275 | 70 | 80 | 50 | 320 | 180 | 90 | 405 | 445 | 210 | 260 | Φ115 | Φ85 | 4-F16 | SD41-0,5 | 20 |
| 25-160 |
2.8 4 5.2 |
0.78 1.11 1.44 |
33 32 30 |
24 32 33 |
2900 | 1.5 | 2.3 | 455 | 320 | 75 | 100 | 60 | 320 | 180 | 90 | 440 | 470 | 250 | 300 | Φ115 | Φ85 | 4-F16 | SD41-0,5 | 20 |
| 25-160 A |
2.6 3.7 4.9 |
0.72 1.03 1.36 |
29 28 26 |
22 31 32 |
2900 | 1.1 | 2.3 | 440 | 320 | 75 | 100 | 60 | 320 | 180 | 90 | 440 | 455 | 250 | 300 | Φ115 | Φ85 | 4-F16 | SD41-0,5 | 20 |
| 32-125 |
3.5 5 6.5 |
0.97 1.39 1.8 |
22 20 18 |
40 44 42 |
2900 | 0.75 | 2.3 | 445 | 270 | 75 | 100 | 60 | 320 | 180 | 90 | 440 | 455 | 250 | 310 | Φ140 | Φ100 | 4-F16 | SD41-0,5 | 20 |
| 32-125A |
3.1 4.5 5.8 |
0.86 1.25 1.61 |
17.6 16 14.4 |
38 42 40 |
2900 | 0.75 | 2.3 | 445 | 270 | 75 | 100 | 60 | 320 | 180 | 90 | 440 | 455 | 250 | 310 | Φ140 | Φ100 | 4-F16 | SD41-0,5 | 20 |
| Lloji | Transmetimi Q | përpjekje m |
Efikasiteti (%) |
Sinkronizimi Shpejtësia e rrotullimit r/min |
Motor elektrik Fuqia KW |
Furnizimi i detyrueshëm i kavitacionit (m) |
Instalimi i një rekordi vertikal | Madhësia e pompës horizontale | Madhësia e fllanxhës | Izolimi i dridhjeve | H1 | |||||||||||||
| m³/h | L/S | H | L | h | B | C | H | h | a | L1 | L | L2 | B1 | D | D1 | n-d | Specifikimi | |||||||
| 40-100 |
4.4 6.3 8.3 |
1.22 1.75 2.31 |
13.2 12.5 11.3 |
48 54 53 |
2900 | 0.75 | 2.3 | 410 | 270 | 85 | 120 | 70 | 260 | 145 | 95 | 405 | 460 | 260 | 125 | Φ150 | Φ110 | 4-F18 | SD41-0,5 | 20 |
| 40-100A |
3.9 5.6 7.4 |
1.08 1.56 2.06 |
10.6 10 9 |
45 52 50 |
2900 | 0.75 | 2.3 | 410 | 270 | 85 | 120 | 70 | 260 | 145 | 95 | 405 | 460 | 260 | 125 | Φ150 | Φ110 | 4-F18 | SD41-0,5 | 20 |
| 40-125 |
4.4 6.3 8.3 |
1.22 1.75 2.31 |
21 20 18 |
41 46 43 |
2900 | 1.1 | 2.3 | 410 | 285 | 85 | 120 | 70 | 305 | 165 | 80 | 405 | 445 | 210 | 260 | Φ150 | Φ110 | 4-F18 | SD41-0,5 | 20 |
| 40-125A |
3.9 5.6 7.4 |
1.08 1.56 2.06 |
17.6 16 14.4 |
40 45 41 |
2900 | 0.75 | 2.3 | 410 | 285 | 85 | 120 | 70 | 305 | 165 | 80 | 405 | 445 | 210 | 260 | Φ150 | Φ110 | 4-F18 | SD41-0,5 | 20 |
| 40-160 |
4.4 6.3 8.3 |
1.22 1.75 2.31 |
33 32 30 |
35 40 40 |
2900 | 2.2 | 2.3 | 445 | 325 | 80 | 120 | 70 | 375 | 210 | 85 | 455 | 489 | 250 | 310 | Φ150 | Φ110 | 4-F18 | SD41-0,5 | 20 |
| 40-160 A |
4.1 5.9 7.8 |
1.44 1.64 2.17 |
29 28 26.3 |
34 39 39 |
2900 | 1.5 | 2.3 | 420 | 325 | 80 | 120 | 70 | 375 | 210 | 85 | 455 | 465 | 250 | 310 | Φ150 | Φ110 | 4-F18 | SD41-0,5 | 20 |
| 40-160 B |
3.8 5.5 7.2 |
1.06 1.53 2.0 |
25.5 24 225 |
34 38 37 |
2900 | 1.1 | 2.3 | 405 | 325 | 80 | 120 | 70 | 370 | 205 | 85 | 455 | 450 | 210 | 260 | Φ150 | Φ110 | 4-F18 | SD41-0,5 | 20 |
| Lloji | Transmetimi Q | përpjekje m |
Efikasiteti (5) |
Sinkronizimi Shpejtësia e rrotullimit r/min |
Motor elektrik Fuqia KW |
Kavitacion i detyrueshëm Pjesa e mbetur (m) |
Instalimi i pompave vertikale | Madhësia e pompës horizontale | Madhësia e fllanxhës | Izolimi i dridhjeve | H1 | |||||||||||||||
| m³/h | L/S | H | L | h | B | C | H | h | a | L1 | L | L2 | B1 | D | D1 | n-d | Specifikimi | |||||||||
| 40-200 |
4.4 6.3 8.3 |
1.22 1.75 2.31 |
51 50 48 |
26 33 32 |
2900 | 4 | 2.3 | 525 | 345 | 70 | 130 | 80 | 405 | 230 | 85 | 490 | 560 | 300 | 350 | Φ150 | Φ110 | 4-F18 | SD41-0,5 | 20 | ||
| 40-200A |
4.1 5.9 7.8 |
1.14 1.64 2.17 |
45 44 42 |
26 31 30 |
2900 | 3 | 2.3 | 495 | 345 | 70 | 130 | 80 | 405 | 230 | 85 | 490 | 530 | 300 | 350 | Φ150 | Φ110 | 4-F18 | SD41-0,5 | 20 | ||
| 40-200b |
3.7 5.3 7.0 |
1.08 1.47 1.94 |
38 36 34.5 |
23 29 24 |
2900 | 2.2 | 2.3 | 470 | 345 | 90 | 130 | 80 | 395 | 220 | 85 | 455 | 505 | 280 | 310 | Φ150 | Φ110 | 4-F18 | SD41-0,5 | 20 | ||
| 40-250 |
4.4 6.3 8.3 |
1.22 1.75 2.31 |
82 80 75 |
24 28 28 |
2900 | 7.5 | 2.3 | 580 | 405 | 100 | 130 | 80 | 455 | 255 | 80 | 540 | 625 | 340 | 380 | Φ150 | Φ110 | 4-F18 | SD41-0,5 | 20 | ||
| 40-250A |
4.1 5.9 7.8 |
1.14 1.64 2.17 |
72 70 65 |
24 28 27 |
2900 | 5.5 | 2.3 | 580 | 405 | 100 | 130 | 80 | 455 | 255 | 80 | 540 | 625 | 340 | 380 | Φ150 | Φ110 | 4-F18 | SD41-0,5 | 20 | ||
| 40-250 B |
3.8 5.5 7.0 |
1.06 1.53 1.94 |
61.5 60 56 |
23 27 26 |
2900 | 4 | 2.3 | 535 | 405 | 100 | 130 | 80 | 455 | 255 | 80 | 540 | 570 | 340 | 380 | Φ150 | Φ110 | 4-F18 | SD41-0,5 | 20 | ||
| 40-100 (I) |
8.8 12.5 16.3 |
2.44 3.47 4.53 |
13.2 12.5 11.3 |
55 62 60 |
2900 | 1.1 | 2.3 | 420 | 300 | 95 | 120 | 70 | 290 | 145 | 80 | 405 | 470 | 210 | 260 | Φ150 | Φ110 | 4-F18 | SD41-0,5 | 20 | ||
| Lloji | Transmetimi Q | përpjekje m |
Efikasiteti (%) |
Sinkronizimi Shpejtësia e rrotullimit r/min |
Motor elektrik Fuqia KW |
Furnizimi i detyrueshëm i kavitacionit (m) |
Instalimi i një rekordi vertikal | Madhësia e pompës horizontale | Madhësia e fllanxhës | Izolimi i dridhjeve | H1 | ||||||||||||||
| m³/h | L/S | H | L | h | B | C | H | h | a | L1 | L | L2 | B1 | D | D1 | n-d | Specifikimi | ||||||||
| 40-100 (I)A |
8 11 14.5 |
2.22 3.05 4.06 |
10.6 10 9 |
52 60 56 |
2900 | 0.75 | 2.3 | 420 | 300 | 95 | 120 | 70 | 290 | 145 | 80 | 405 | 470 | 210 | 260 | Φ150 | Φ110 | 4-F18 | SD41-0,5 | 20 | |
| 40-125 (I) |
8.8 12.6 16.3 |
2.44 3.47 4.53 |
21.2 20 17.8 |
49 58 57 |
2900 | 1.5 | 2.3 | 430 | 305 | 90 | 120 | 70 | 320 | 170 | 90 | 440 | 480 | 250 | 300 | Φ150 | Φ110 | 4-F18 | SD41-0,5 | 20 | |
| 40-125 (I)A |
8 11 14.5 |
2.22 3.05 4.03 |
17 16 14 |
47 57 54 |
2900 | 1.1 | 2.3 | 415 | 305 | 90 | 120 | 70 | 315 | 165 | 90 | 440 | 465 | 210 | 260 | Φ150 | Φ110 | 4-F18 | SD41-0,5 | 20 | |
| 40-160 (I) |
8.8 12.5 16.3 |
2.44 3.47 4.53 |
33 32 30 |
45 52 52 |
2900 | 3.0 | 2.3 | 505 | 325 | 100 | 130 | 80 | 380 | 220 | 85 | 485 | 540 | 280 | 320 | Φ150 | Φ110 | 4-F18 | SD41-0,5 | 20 | |
| 40-160 (I)A |
8.2 11.7 15.2 |
2.28 3.25 4.22 |
29 28 26 |
44 41 50 |
2900 | 2.2 | 2.3 | 465 | 325 | 100 | 130 | 80 | 380 | 220 | 85 | 455 | 495 | 280 | 310 | Φ150 | Φ110 | 4-F18 | SD41-0,5 | 20 | |
| 40-160 (I) B |
7.8 10.4 13.5 |
2.38 2.89 3.75 |
23 22 20.5 |
44 49 47 |
2900 | 1.5 | 2.3 | 440 | 325 | 100 | 130 | 80 | 380 | 220 | 85 | 455 | 495 | 280 | 310 | Φ150 | Φ110 | 4-F18 | SD41-0,5 | 20 | |
| Lloji | Transmetimi Q | përpjekje m |
Efikasiteti (%) |
Sinkronizimi Shpejtësia e rrotullimit r/min |
Motor elektrik Fuqia KW |
Furnizimi i detyrueshëm i kavitacionit (m) |
Instalimi i një rekordi vertikal | Madhësia e pompës horizontale | Madhësia e fllanxhës | Izolimi i dridhjeve | H1 | |||||||||||||
| m³/h | L/S | H | L | h | B | C | H | h | a | L1 | L | L2 | B1 | D | D1 | n-d | Specifikimi | |||||||
| 40-200 (I) |
8.8 12.5 16.3 |
2.44 3.47 4.53 |
51.2 50 48 |
38 46 46 |
2900 | 5.5 | 2.3 | 580 | 345 | 95 | 130 | 80 | 400 | 220 | 100 | 535 | 590 | 340 | 340 | Φ150 | Φ110 | 4-F18 | SD41-0,5 | 20 |
| 40-200 (I) A |
8.3 11.7 15.3 |
2.31 3.25 4.25 |
45 44 42 |
37 45 45 |
2900 | 4 | 2.3 | 530 | 345 | 95 | 130 | 80 | 400 | 220 | 100 | 490 | 580 | 300 | 340 | Φ150 | Φ110 | 4-F18 | SD41-0,5 | 20 |
| 40-200 (I) B |
7.5 10.6 13.8 |
2.08 2.94 3.83 |
37 36 34 |
35 44 42 |
2900 | 3 | 2.3 | 500 | 345 | 95 | 130 | 80 | 410 | 230 | 100 | 490 | 550 | 300 | 340 | Φ150 | Φ110 | 4-F18 | SD41-0,5 | 20 |
| 40-250 (I) |
8.8 12.5 16.3 |
2.44 3.47 4.53 |
81.2 80 77.5 |
31 38 40 |
2900 | 11 | 2.3 | 675 | 440 | 100 | 160 | 100 | 495 | 270 | 100 | 640 | 735 | 430 | 430 | Φ150 | Φ110 | 4-F18 | SD41-0,5 | 20 |
| 40-250 (I) A |
8.2 11.6 15.2 |
2.28 3.22 4.22 |
71 70 68 |
28 38 39 |
2900 | 7.5 | 2.3 | 585 | 440 | 100 | 160 | 100 | 480 | 255 | 100 | 540 | 645 | 340 | 380 | Φ150 | Φ110 | 4-F18 | SD41-0,5 | 20 |
| 40-250 (I) B |
7.6 10.8 14 |
2.11 3 3.89 |
61.4 60 58 |
28 37 37 |
2900 | 7.5 | 2.3 | 585 | 440 | 100 | 160 | 100 | 480 | 255 | 100 | 540 | 645 | 340 | 380 | Φ150 | Φ110 | 4-F18 | SD41-0,5 | 20 |
| Lloji | Transmetimi Q | përpjekje m |
Efikasiteti (%) |
Sinkronizimi Shpejtësia e rrotullimit r/min |
Motor elektrik Fuqia KW |
Furnizimi i detyrueshëm i kavitacionit (m) |
Instalimi i një rekordi vertikal | Madhësia e pompës horizontale | Madhësia e fllanxhës | Izolimi i dridhjeve | H1 | |||||||||||||
| m³/h | L/S | H | L | h | B | C | H | h | a | L1 | L | L2 | B1 | D | D1 | n-d | Specifikimi | |||||||
| 40-250 (I)C |
7.1 10 13.1 |
1.97 2.78 3.64 |
53.2 52 50.4 |
26 36 35 |
2900 | 5.5 | 2.3 | 585 | 440 | 100 | 160 | 100 | 480 | 255 | 100 | 540 | 645 | 340 | 380 | Φ150 | Φ110 | 4-F18 | SD41-0,5 | 20 |
| 50-100 |
8.8 12.5 16.3 |
2.44 3.47 4.53 |
13.6 12.5 11.3 |
55 62 60 |
2900 | 1.1 | 2.3 | 420 | 300 | 95 | 120 | 70 | 290 | 145 | 80 | 405 | 470 | 210 | 260 | Φ165 | Φ125 | 4-F18 | SD41-0,5 | 20 |
| 50-100A |
8 11 14.5 |
2.22 3.05 4.03 |
11 10 9 |
52 60 56 |
2900 | 0.75 | 2.3 | 420 | 300 | 95 | 120 | 70 | 290 | 145 | 80 | 405 | 470 | 210 | 260 | Φ165 | Φ125 | 4-F18 | SD41-0,5 | 20 |
| 50-125 |
8.8 12.5 16.3 |
2.44 3.47 4.53 |
21.5 20 17.8 |
49 58 57 |
2900 | 1.5 | 2.3 | 430 | 305 | 90 | 120 | 70 | 320 | 170 | 90 | 440 | 480 | 250 | 300 | Φ165 | Φ125 | 4-F18 | SD41-0,5 | 20 |
| 50-125A |
8 11 14.5 |
2.22 3.05 4.03 |
17 16 14 |
47 57 54 |
2900 | 1.1 | 2.3 | 415 | 305 | 90 | 120 | 70 | 315 | 165 | 90 | 405 | 465 | 210 | 260 | Φ165 | Φ125 | 4-F18 | SD41-0,5 | 20 |
| 50-160 |
8.8 12.5 16.3 |
2.44 3.47 4.53 |
33 32 30 |
45 52 51 |
2900 | 3 | 2.3 | 505 | 325 | 100 | 130 | 80 | 385 | 220 | 85 | 485 | 535 | 280 | 320 | Φ165 | Φ125 | 4-F18 | SD41-0,5 | 20 |
| 50-160 A |
8.2 11.7 15.2 |
2.28 3.25 4.22 |
29 28 26 |
44 51 50 |
2900 | 2.2 | 2.3 | 465 | 325 | 100 | 130 | 80 | 385 | 220 | 85 | 455 | 495 | 280 | 310 | Φ165 | Φ125 | 4-F18 | SD41-0,5 | 20 |
| Lloji | Transmetimi Q | përpjekje m |
Efikasiteti (%) |
Sinkronizimi Shpejtësia e rrotullimit r/min |
Motor elektrik Fuqia KW |
Furnizimi i detyrueshëm i kavitacionit (m) |
Instalimi i një rekordi vertikal | Madhësia e pompës horizontale | Madhësia e fllanxhës | Izolimi i dridhjeve | H1 | |||||||||||||
| m³/h | L/S | H | L | h | B | C | H | h | a | L1 | L | L2 | B1 | D | D1 | n-d | Specifikimi | |||||||
| 50-160 B |
7.3 10.4 13.5 |
2.38 2.89 2.75 |
23 22 20.5 |
42 49 47 |
2900 | 1.5 | 2.3 | 440 | 325 | 100 | 130 | 80 | 385 | 220 | 85 | 455 | 470 | 280 | 310 | Φ165 | Φ125 | 4-F18 | SD41-0,5 | 20 |
| 50-200 |
8.8 12.5 16.3 |
2.44 3.47 4.53 |
52 45 45 |
38 46 46 |
2900 | 5.5 | 2.3 | 580 | 345 | 95 | 130 | 80 | 400 | 220 | 85 | 535 | 635 | 340 | 340 | Φ165 | Φ125 | 4-F18 | SD41-0,5 | 20 |
| 50-200A |
8.3 11.7 15.3 |
2.31 3.25 4.25 |
45.8 44 42 |
37 45 45 |
2900 | 4 | 2.3 | 530 | 345 | 95 | 130 | 80 | 400 | 220 | 85 | 490 | 580 | 300 | 340 | Φ165 | Φ125 | 4-F18 | SD41-0,5 | 20 |
| 50-200b |
7.5 10.6 13.8 |
2.08 2.94 3.83 |
37 36 34 |
35 44 42 |
2900 | 3 | 2.3 | 500 | 345 | 100 | 130 | 80 | 400 | 220 | 85 | 490 | 555 | 300 | 340 | Φ165 | Φ125 | 4-F18 | SD41-0,5 | 20 |
| 50-250 |
8.8 12.5 16.3 |
2.44 3.47 4.53 |
82 80 77.5 |
29 25 40 |
2900 | 11 | 2.3 | 685 | 445 | 110 | 160 | 100 | 495 | 270 | 100 | 640 | 735 | 430 | 430 | Φ165 | Φ125 | 4-F18 | SD41-0,5 | 20 |
| 50-250A |
8.2 11.6 15.2 |
2.28 3.22 4.22 |
71.5 70 68 |
28 38 39 |
2900 | 7.5 | 2.3 | 595 | 445 | 110 | 160 | 100 | 480 | 255 | 100 | 540 | 645 | 340 | 380 | Φ165 | Φ125 | 4-F18 | SD41-0,5 | 20 |
| Lloji | Transmetimi Q | përpjekje m |
Efikasiteti (%) |
Sinkronizimi Shpejtësia e rrotullimit r/min |
Motor elektrik Fuqia KW |
Furnizimi i detyrueshëm i kavitacionit (m) |
Instalimi i një rekordi vertikal | Madhësia e pompës horizontale | Madhësia e fllanxhës | Izolimi i dridhjeve | H1 | |||||||||||||
| m³/h | L/S | H | L | h | B | C | H | h | a | L1 | L | L2 | B1 | D | D1 | n-d | Specifikimi | |||||||
| 50-250 B |
7.6 10.8 14 |
2.11 3 3.89 |
61.4 60 58 |
28 37 37 |
2900 | 7.5 | 2.3 | 595 | 445 | 110 | 160 | 100 | 480 | 255 | 100 | 540 | 645 | 340 | 380 | Φ165 | Φ125 | 4-F18 | SD41-0,5 | 20 |
| 50-250C |
7.1 10 13.1 |
1.97 2.78 3.64 |
53.2 52 50.4 |
26 36 35 |
2900 | 5.5 | 2.3 | 595 | 445 | 110 | 160 | 100 | 480 | 255 | 100 | 540 | 645 | 340 | 380 | Φ165 | Φ125 | 4-F18 | SD41-0,5 | 20 |
| 50-100 (I) |
17.5 25 |
4.86 6.94 |
13.7 12.5 |
67 69 |
2900 | 1.5 | 2.5 | 440 | 320 | 100 | 160 | 100 | 370 | 210 | 95 | 440 | 510 | 300 | 350 | Φ165 | Φ125 | 4-F18 | SD41-0,5 | 20 |
| 50-100 (I) A |
15.6 22.3 29 |
4.3 6.19 8.1 |
11 10 8.4 |
65 67 68 |
2900 | 1.1 | 2.5 | 425 | 320 | 100 | 160 | 100 | 370 | 210 | 95 | 440 | 470 | 250 | 300 | Φ165 | Φ125 | 4-F18 | SD41-0,5 | 20 |
| 50-125 (I) |
17.5 25 32.5 |
4.86 6.94 9.03 |
21.5 20 18 |
60 68 67 |
2900 | 3 | 2.5 | 480 | 345 | 105 | 160 | 100 | 365 | 220 | 105 | 455 | 555 | 280 | 310 | Φ165 | Φ125 | 4-F18 | SD41-0,5 | 20 |
| 50-125 (I)A |
15.6 22.3 |
4.33 6.19 |
17 16 |
58 66 |
2900 | 2.2 | 2.5 | 480 | 345 | 105 | 160 | 100 | 365 | 220 | 105 | 455 | 515 | 280 | 310 | Φ165 | Φ125 | 4-F18 | SD41-0,5 | 20 |
| 50-160 (I) |
17.5 25 32.5 |
4.86 6.94 9.03 |
34.4 32 27.5 |
54 63 60 |
2900 | 4 | 2.5 | 540 | 365 | 105 | 160 | 100 | 405 | 230 | 80 | 505 | 665 | 280 | 350 | Φ165 | Φ125 | 4-F18 | SD41-0,5 | 20 |
| Lloji | Transmetimi Q | përpjekje m |
Efikasiteti (%) |
Sinkronizimi Shpejtësia e rrotullimit r/min |
Motor elektrik Fuqia KW |
Furnizimi i detyrueshëm i kavitacionit (m) |
Instalimi i një rekordi vertikal | Madhësia e pompës horizontale | Madhësia e fllanxhës | Izolimi i dridhjeve | H1 | |||||||||||||
| m³/h | L/S | H | L | h | B | C | H | h | a | L1 | L | L2 | B1 | D | D1 | n-d | Specifikimi | |||||||
| 50-160 (I) A |
16.4 23.4 30.4 |
4.56 6.5 8.44 |
30 28 24 |
54 52 59 |
2900 | 4 | 2.3 | 540 | 365 | 105 | 160 | 100 | 405 | 230 | 80 | 505 | 665 | 300 | 350 | Φ165 | Φ125 | 4-F18 | SD41-0,5 | 20 |
| 50-160 (I) B |
15 21.6 28 |
4.17 6 7.78 |
26 24 20.6 |
49 58 54 |
2900 | 3 | 2.3 | 510 | 365 | 105 | 160 | 100 | 405 | 230 | 85 | 505 | 640 | 300 | 350 | Φ165 | Φ125 | 4-F18 | SD41-0,5 | 20 |
| 50-200 (I) |
17.5 25 32.5 |
4.86 6.94 9.03 |
52.7 50 45.5 |
49 58 59 |
2900 | 7.5 | 2.3 | 595 | 390 | 105 | 160 | 100 | 405 | 220 | 100 | 535 | 640 | 340 | 340 | Φ165 | Φ125 | 4-F18 | SD41-0,5 | 20 |
| 50-200 (I) A |
16.4 23.5 30.5 |
4.56 6.53 8.47 |
46.4 44 40 |
48 57 58 |
2900 | 7.5 | 2.3 | 595 | 390 | 105 | 160 | 100 | 405 | 220 | 100 | 535 | 640 | 340 | 340 | Φ165 | Φ125 | 4-F18 | SD41-0,5 | 20 |
| 50-200 (I) B |
15.2 21.8 28.3 |
4.22 6.06 7.86 |
40 38 34.5 |
45 55 55 |
2900 | 5.5 | 2.3 | 595 | 390 | 105 | 160 | 100 | 405 | 220 | 100 | 535 | 640 | 340 | 340 | Φ165 | Φ125 | 4-F18 | SD41-0,5 | 20 |
| 50-250 (I) |
17.5 25 32.5 |
4.86 6.94 9.03 |
82 80 76.5 |
39 50 52 |
2900 | 15 | 2.3 | 695 | 485 | 120 | 180 | 120 | 515 | 270 | 105 | 695 | 740 | 430 | 440 | Φ165 | Φ125 | 4-F18 | SD41-0,5 | 20 |
| 50-250 (I)A |
16.4 23.4 30.5 |
4.56 6.5 8.47 |
71.5 70 67 |
39 50 52 |
2900 | 11 | 2.3 | 695 | 485 | 120 | 180 | 120 | 515 | 270 | 105 | 695 | 740 | 430 | 440 | Φ165 | Φ125 | 4-F18 | SD41-0,5 | 20 |
| Lloji | Transmetimi Q | përpjekje m |
Efikasiteti (%) |
Sinkronizimi Shpejtësia e rrotullimit r/min |
Motor elektrik Fuqia KW |
Furnizimi i detyrueshëm i kavitacionit (m) |
Instalimi i një rekordi vertikal | Madhësia e pompës horizontale | Madhësia e fllanxhës | Izolimi i dridhjeve | H1 | |||||||||||||
| m³/h | L/S | H | L | h | B | C | H | h | a | L1 | L | L2 | B1 | D | D1 | n-d | Specifikimi | |||||||
| 50-250 (I) B |
15 21.6 28 |
4.17 6 7.78 |
61 60 57.4 |
38 49 54 |
2900 | 11 | 2.3 | 695 | 485 | 120 | 180 | 120 | 515 | 270 | 105 | 695 | 740 | 430 | 440 | Φ165 | Φ125 | 4-F18 | SD41-0,5 | 20 |
| 50-315 (I) |
17.5 25 32.5 |
4.86 6.94 9.03 |
128 125 122 |
30 40 44 |
2900 | 30 | 2.5 | 865 | 550 | 130 | 180 | 120 | 565 | 290 | 130 | 740 | 930 | 405 | 460 | Φ165 | Φ125 | 4-F18 | SD41-0,5 | 20 |
| 50-315 (I)A |
16.6 23.7 31 |
4.61 6.58 8.6 |
115 113 110 |
30 40 44 |
2900 | 22 | 2.5 | 785 | 550 | 130 | 180 | 120 | 565 | 290 | 130 | 740 | 850 | 405 | 460 | Φ165 | Φ125 | 4-F18 | SD41-0,5 | 20 |
| 50-315 (I) B |
15.7 22.5 29.2 |
4.36 6.25 8 |
103 101 98 |
30 39 42 |
2900 | 18.5 | 2.5 | 785 | 550 | 130 | 180 | 120 | 565 | 290 | 130 | 740 | 850 | 405 | 460 | Φ165 | Φ125 | 4-F18 | SD41-0,5 | 20 |
| 50-315 (I)C |
14.4 20.6 26.8 |
4 5.72 7.44 |
86 85 83 |
38 46 40 |
2900 | 15 | 2.5 | 705 | 550 | 130 | 180 | 120 | 565 | 290 | 130 | 740 | 770 | 405 | 460 | Φ165 | Φ125 | 4-F18 | SD41-0,5 | 20 |
| 65-100 |
17.5 25 32.5 |
4.86 6.94 9.03 |
13.7 12.5 10.5 |
67 69 69 |
2900 | 1.5 | 2.5 | 495 | 325 | 95 | 160 | 100 | 380 | 220 | 95 | 455 | 510 | 280 | 310 | Φ165 | Φ125 | 4-F18 | SD41-0,5 | 20 |