Shtytësi dhe tehu i pompës së ujërave të zeza prej gize me mulli WQAS të cilësisë së lartë ZEN janë prej çeliku inox me krom të lartë 420 me fortësi HRC49-52 dhe kanë rezistencë të mirë ndaj konsumit.
![]() |
Baza e kabllove me rrëshirë epokside Bërthama e kabllit me rrëshirë epokside mund të parandalojë hyrjen e lagështirës në motor përmes linjës së bërthamës. |
![]() |
Gize me precizion me cilësi të lartë Duke filluar nga 3kw, përdorni 3 kushineta të rënda Elektrostator çeliku i ftohtë 800# |
![]() |
Prerje automatike e mbrojtjes termike Fikja automatike e mbrojtësit termik Fikja automatike e mbrojtësit termik aktivizohet dhe ndërpret automatikisht energjinë kur motori funksionon në mënyrë jonormale dhe të tepërt. |
![]() |
Vula mekanike Një vulë mekanike e dyfishtë përbëhet nga dy vula në seri. Mbulesa mekanike superiore rezistente ndaj konsumit e bërë nga karabit silikoni siguron efektin më të mirë të izolimit. |
shtytës i makinës prerëse me unazë prerëse
1. Shtytësi është projektuar pa bllokim, struktura është racionale
2. Materiali i shtytësit dhe unazës së thikës është 420 çelik inox me krom të lartë, fortësi HRC49 - 52, ka rezistencë të mirë ndaj konsumit.
1. Motorë elektrikë bakri 100% me cilësi të lartë.
2. Vida inox.
3. Prerëse me çelik inox / çelik inox 304#.
4. Projektimi i dy deri tre vulave mekanike.
5. Statori prej çeliku me slicon.
6. Gize për cilësi të lartë HT200/250.
7. Çeliku i ftohtë #600 - 800, jetëgjatësi më e gjatë, temperaturë më e ulët e motorit.
8. Kushineta me cilësi të lartë.
9. Dizajni i plotë i kokës së pompës për të ruajtur performancën e qëndrueshme
|
|
Projektet | Shënime |
| Kufizimet në përdorim | Temperatura e lëngut. | 0 ~ 40°C (32 ~ 104°F) |
| Aplikimi | Ujërat e zeza shtëpiake/industriale | |
| Lloji | Frekuenca | 50 HZ ose 60 HZ |
| Motor elektrik | 2P (2900 RPM ose 3450 RPM) | |
| Materialet izoluese | Kategoria F | |
| Mbrojtja | IP68 | |
| Mbrojtësi | Ndërprerësi i mbrojtjes termike njëfazor (zero trefazor) | |
| Duke | Lloji i topit, 2 - 3 kushineta të rënda | |
| Vula mekanike | vula të dyfishta M. | |
| Rrota | Vorbull + prerës |
| Model | Energjia elektrike | Koka maksimale | Rrjedha maksimale | Zbritje | ||
| kw | HP | M | m³/h | inç | mm | |
| 50WQ10-10-1.1AS | 1.1 | 1.5 | 16 | 20 | 2" | 50 |
| 50WQ15-15-1,5AS | 1.5 | 2 | 19 | 24 | 2" | 50 |
| 50WQ15-20-2.2AS | 2.2 | 3 | 33 | 28 | 2" | 50 |
| 50WQ15-26-3AS | 3 | 4 | 32 | 35 | 2" | 50 |
| 50WQ15-30-4AS | 4 | 5.5 | 31 | 34 | 2" | 50 |
| 65WQ25-10-1,5AS | 1.5 | 2 | 17 | 40 | 2.5" | 65 |
| 65WQ25-15-2.2AS | 2.2 | 3 | 23 | 47 | 2.5" | 65 |
| 65WQ25-20-3AS | 3 | 4 | 26 | 49 | 2.5" | 65 |
| 65WQ25-26-4AS | 4 | 5.5 | 34 | 57 | 2.5" | 65 |
| 65WQ25-30-5,5AS | 5.5 | 7.5 | 36 | 63 | 2.5" | 65 |
| 65WQ25-35-7.5AS | 7.5 | 10 | 39 | 65 | 2.5" | 65 |
| 65WQ30-58-18.5AS | 18.5 | 25 | 59 | 80 | 2.5" | 65 |
| 80WQ40-10-2.2AS | 2.2 | 3 | 17 | 59 | 3" | 80 |
| 80WQ40-15-3AS | 3 | 4 | 21 | 63 | 3" | 80 |
| 80WQ40-20-4AS | 4 | 5.5 | 25 | 72 | 3" | 80 |
| 80WQ45-22-5.5AS | 5.5 | 7.5 | 31 | 82 | 3" | 80 |
| 80WQ45-25-7.5AS | 7.5 | 10 | 37 | 93 | 3" | 80 |
| 80WQ45-46-15AS | 15 | 20 | 57 | 104 | 3" | 80 |
| 80WQ45-52-18.5AS | 18.5 | 25 | 61 | 106 | 3" | 80 |
| 80WQ45-58-22AS | 22 | 30 | 74 | 110 | 3" | 80 |
| 100WQ60-9-3AS | 3 | 4 | 19 | 70 | 4" | 100 |
| 100WQ60-13-4AS | 4 | 5.5 | 27 | 93 | 4" | 100 |
| 100WQ65-15-5.5AS | 5.5 | 7.5 | 21 | 102 | 4" | 100 |
| 100WQ80-35-15AS | 15 | 20 | 51 | 153 | 4" | 100 |
| 100WQ100-13-7,5AS | 7.5 | 10 | 28 | 125 | 4" | 100 |
| 150WQ100-7-5,5AS | 5.5 | 7.5 | 23 | 136 | 6" | 150 |
| 150WQ120-12-7,5AS | 7.5 | 10 | 29 | 164 | 6" | 150 |
| Nr. | Emri |
| 1 | Duke |
| 2 | boshti i motorit |
| 3 | Strehimi i motorit |
| 4 | Materialet elektrike |
| 5 | Duke |
| 6 | Vula mekanike |
| Vulë vaji | |
| 7 | Strehimi i pompës |
| 8 | Rrota + futje prerëse |
| 9 | Zbritje |
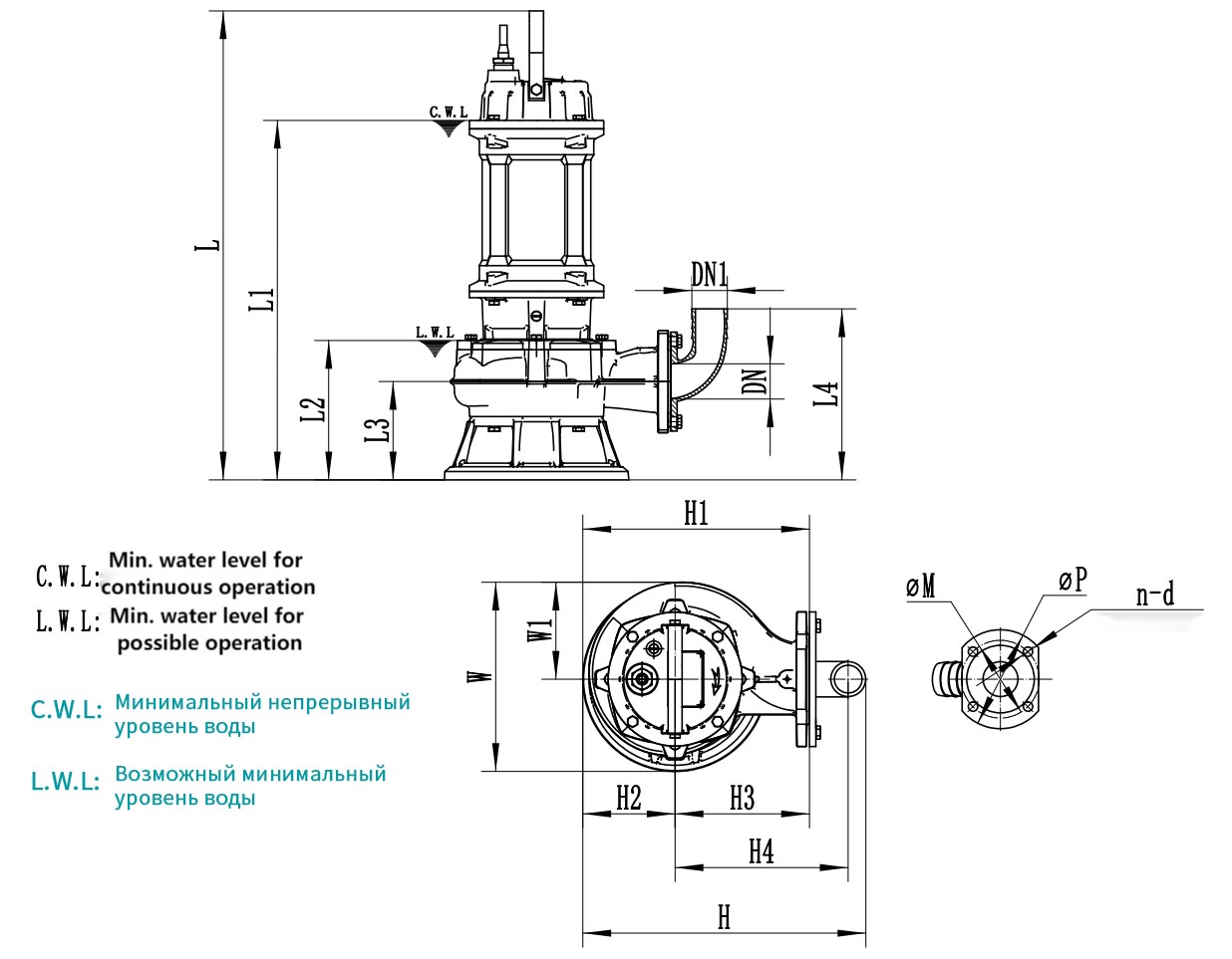
| Model. | DN | DN1 | L | L1 | L2 | L3 | L4 | W | W1 | H | H1 | H2 | H3 | H4 | M | n-d | P |
| 50WQ10-10-1.1AS | 50 | 51 | 570 | 420 | 155 | 108 | 195 | 205 | 103 | 386 | 251 | 103 | 148 | 257 | 110 | 4-Φ14 | 140 |
| 50WQ15-15-1,5AS | 50 | 51 | 590 | 440 | 166 | 118 | 239 | 243 | 122 | 413 | 278 | 122 | 156 | 265 | 110 | 4-Φ14 | 140 |
| 50WQ15-20-2.2AS | 50 | 51 | 610 | 460 | 166 | 118 | 239 | 243 | 122 | 413 | 278 | 122 | 156 | 265 | 110 | 4-Φ14 | 140 |
| 50WQ15-26-3AS | 50 | 51 | 650 | 495 | 182 | 132 | 253 | 262 | 131 | 435 | 300 | 131 | 169 | 278 | 110 | 4-Φ14 | 140 |
| 50WQ15-30-4AS | 50 | 51 | 690 | 525 | 182 | 132 | 253 | 262 | 131 | 435 | 300 | 131 | 169 | 278 | 110 | 4-Φ14 | 140 |
| 65WQ25-10-1,5AS | 65 | 64 | 600 | 450 | 176 | 123 | 244 | 243 | 122 | 399 | 286 | 122 | 164 | 245 | 130 | 4-Φ14 | 160 |
| 65WQ25-15-2.2AS | 65 | 64 | 620 | 460 | 176 | 123 | 244 | 243 | 122 | 399 | 286 | 122 | 164 | 245 | 130 | 4-Φ14 | 160 |
| 65WQ25-20-3AS | 65 | 64 | 655 | 500 | 190 | 135 | 256 | 266 | 133 | 429 | 316 | 133 | 183 | 264 | 130 | 4-Φ14 | 160 |
| 65WQ25-26-4AS | 65 | 64 | 695 | 530 | 190 | 135 | 256 | 266 | 133 | 429 | 316 | 133 | 183 | 264 | 130 | 4-Φ14 | 160 |
| 65WQ25-30-5,5AS | 65 | 64 | 740 | 570 | 203 | 147 | 268 | 300 | 150 | 467 | 354 | 150 | 204 | 285 | 130 | 4-Φ14 | 160 |
| 65WQ25-35-7.5AS | 65 | 64 | 770 | 600 | 203 | 147 | 268 | 300 | 150 | 467 | 354 | 150 | 204 | 285 | 130 | 4-Φ14 | 160 |
| 65WQ30-58-18.5AS | 65 | 64 | 995 | 757 | 234 | 174 | 298 | 336 | 168 | 495 | 400 | 168 | 232 | 295 | 130 | 4-Φ14 | 160 |
| 80WQ40-10-2.2AS | 80 | 74 | 630 | 470 | 178 | 125 | 260 | 255 | 133 | 413 | 300 | 122 | 178 | 254 | 150 | 4-Φ18 | 190 |
| 80WQ40-15-3AS | 80 | 74 | 665 | 510 | 197 | 139 | 274 | 267 | 137 | 433 | 320 | 131 | 189 | 265 | 150 | 4-Φ18 | 190 |
| 80WQ40-20-4AS | 80 | 74 | 705 | 540 | 197 | 139 | 274 | 267 | 137 | 433 | 320 | 131 | 189 | 265 | 150 | 4-Φ18 | 190 |
| 80WQ45-22-5.5AS | 80 | 74 | 750 | 580 | 211 | 151 | 286 | 300 | 150 | 477 | 364 | 150 | 214 | 290 | 150 | 4-Φ18 | 190 |
| 80WQ45-25-7.5AS | 80 | 74 | 780 | 610 | 211 | 151 | 286 | 300 | 150 | 477 | 364 | 150 | 214 | 290 | 150 | 4-Φ18 | 190 |
| 80WQ45-46-15AS | 80 | 74 | 960 | 722 | 234 | 174 | 313 | 336 | 168 | 508 | 400 | 168 | 232 | 303 | 150 | 4-Φ18 | 190 |
| 80WQ45-52-18.5AS | 80 | 74 | 995 | 757 | 234 | 174 | 313 | 336 | 168 | 508 | 400 | 168 | 232 | 303 | 150 | 4-Φ18 | 190 |
| 80WQ45-58-22AS | 80 | 74 | 1040 | 802 | 234 | 174 | 313 | 336 | 168 | 508 | 400 | 168 | 232 | 303 | 150 | 4-Φ18 | 190 |
| 100WQ60-9-3AS | 100 | 102 | 680 | 525 | 215 | 144 | 302 | 285 | 152 | 491 | 335 | 135 | 200 | 305 | 170 | 4-Φ18 | 210 |
| 100WQ60-13-4AS | 100 | 102 | 720 | 555 | 215 | 144 | 302 | 285 | 152 | 491 | 335 | 135 | 200 | 305 | 170 | 4-Φ18 | 210 |
| 100WQ65-15-5.5AS | 100 | 102 | 765 | 595 | 229 | 160 | 318 | 313 | 163 | 534 | 378 | 150 | 228 | 333 | 170 | 4-Φ18 | 210 |
| 100WQ80-35-15AS | 100 | 102 | 975 | 735 | 247 | 181 | 333 | 347 | 180 | 567 | 411 | 168 | 243 | 348 | 170 | 4-Φ18 | 210 |
| 100WQ100-13-7,5AS | 100 | 102 | 795 | 625 | 229 | 160 | 318 | 313 | 163 | 534 | 378 | 150 | 228 | 333 | 170 | 4-Φ18 | 210 |
| 150WQ100-7-5,5AS | 150 | 149 | 765 | 595 | 229 | 160 | 374 | 313 | 163 | 585 | 378 | 150 | 228 | 360 | 225 | 8-Φ18 | 265 |
| 150WQ120-12-7,5AS | 150 | 149 | 795 | 625 | 229 | 160 | 374 | 313 | 163 | 585 | 378 | 150 | 228 | 360 | 225 | 8-Φ18 | 265 |